台北市大安區大樓法拍

台北市大安區大樓法拍|大安區敦化南路一段吟龍名廈忠孝敦化站仁愛國中小

大安區 敦化南路一段 【吟龍名廈】忠孝敦化站 仁愛國中小
列印
  • 售9366萬
    1. 案號:114知150212 115/05/27(三) 09:30
    2. 類型:法拍大樓
    3. 總登記坪數:
    4. 每坪單價:
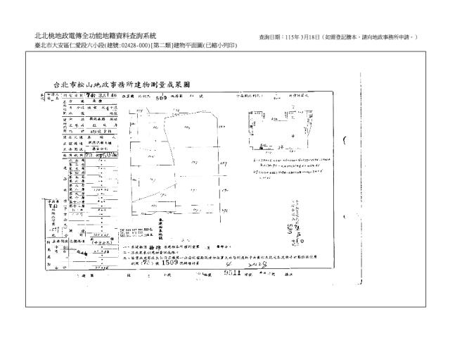
    5. 地址:台北市大安區敦化南路一段191號8樓
    1. (煩請告知聯絡人,您是在House-Info房屋網看到廣告,感恩幫忙)
    2. 0911-965-339
    1. 公司名稱:
    2. 公司地址:
    大安區 敦化南路一段 【吟龍名廈】忠孝敦化站 仁愛國中小-QR CODE 我要留言
物件介紹
詳細資料
銷售狀態
待標中
格局
0房
社區/大樓
吟龍名廈(國泰建設)
屋齡
42年
車位
沒車位
無障礙環境
所在樓層
8樓/共14樓
管委會
中庭
電梯
邊間
是否凶宅
不是
法拍屋
拍次
第一拍 部份點交
開標日期
2026/05/27(三) 09:30
瀏覽人次
13人次
周邊環境
鄰近學區
仁愛國小,仁愛國中
捷運站
忠孝敦化
坪數說明
建物登記總坪數
62.44
主建物
45.57
附屬建物
6.09
公共設施
10.78
土地登記總坪數
6.49
特色描述

【法院筆錄內容】

1‧據114年4月18日查封現場債務人稱,本件拍賣標的無人居住使用,部分陽台之格局填平變更為室內空間。土地使用分區為敦化南北路特定專用區(A區)(依都市計畫說明書圖規定辦理)(原屬第肆種住宅區及第肆之壹種住宅區)。
2‧本件拍賣標的經向主管機關查詢有無海砂屋、輻射屋、地震或火災受創及建物內有非自然死亡等足以影響交易之特殊情事,經臺北市政府消防局114年7月21日北市消調字第1143034734號函覆,自95年迄今無受理旨揭地址火災及救護案件紀錄;經臺北市政府警察局大安分局114年7月21日北市警安分刑字第1143065406號函覆,未發現有非自然死亡情事;經臺北市建築管理工程處114年7月28日北市都建使字第1146138041號函覆,非該處列管之海砂屋或震損建築物;經核能安全委員會114年11月4日核輻字第1140016284號函覆,該建物無輻射偵測紀錄。另債權人債務人若有影響交易之情事,應檢附相關文件到院以利發布公告。依強制執行法第69條之規定,拍賣物買受人就物之瑕疵無擔保請求權,請應買人自行查明,不得於拍定後主張。
3‧本件拍定後除共有部分2469建號建物查無明確之分管契約故不點交外,其餘建物部分拍定後點交。
《拍賣抵押物》

【保證金】
1873萬

【拍賣履歴】
 一拍    2026/05/27    底標價格  9366萬
 二拍                         底標價格  7492.8萬
 三拍                         底標價格  5994.24萬
 四拍                         底標價格  4795.392萬                

【焦點法拍履歴】
👩🏻‍⚖️從業二十年以上經驗|競競業業|正派經營
🎯投標準備⇥法拍流程說明|標單填寫|案件現場勘查有無特殊情事|成本評估分析
💰銀行貸款⇥法拍物件估價|投標人財力評估|銀行代墊款協助辦理|最高八成
🏡拍定得標⇥強制執行書狀、履勘陳報書狀往返|債務人搬遷協商|遺留物造冊查估
🎁委託代標⇥免費|委託代標未得標⇥免費

🏢鑫創資產管理有限公司

顏麗杏 0911-965339   營業員證號:(101)登字第212862號     
連真甄 0909-031993   營業員證號:(101)登字第192002號   

更多物件 ☞ 焦點法拍 

經紀人李彥槿:109北市經證字第02110號

大安區大樓法拍-0
大安區大樓法拍-0
大安區大樓法拍-1
大安區大樓法拍-1
大安區大樓法拍-2
大安區大樓法拍-2
大安區大樓法拍-3
大安區大樓法拍-3
大安區大樓法拍-4
大安區大樓法拍-4
大安區大樓法拍-5
大安區大樓法拍-5
大安區大樓法拍-6
大安區大樓法拍-6
大安區大樓法拍-7
大安區大樓法拍-7
大安區大樓法拍-8
大安區大樓法拍-8
大安區大樓法拍-9
大安區大樓法拍-9
物件留言
請注意,如果您詢問的內容與物件不相符合或是廣告,經過審核,系統將會直接刪除您的發問內容
等待圖示
相似物件
免責聲明:House-Info房屋網平台系統為租用式開放房屋買賣網站建置平台,僅提供會員查詢-台北市,大安區,大樓-等房屋資訊參考,並不涉入任何諮詢、交易。 物件(服務)聯絡人公佈的資訊、文字、照片、圖形、產權、廣告內容、或其他資料若有不實或違法情事,或與客戶聯絡交易過程中若衍生民事或刑事等法律問題,皆與House-Info房屋網站無關,所有商標、文章、名稱等版權,皆歸屬原著作者所有!