新北市新莊區公寓法拍

新北市新莊區公寓法拍|新莊區幸福路公寓五樓佳瑪百貨旁幸福路商圈捷運幸福站

新莊區幸福路|公寓五樓|佳瑪百貨旁、幸福路商圈、捷運幸福站
列印
  • 售1200萬
    售960萬
    1. 案號:114職一278金 115/01/20-04/19 應買
    2. 類型:法拍公寓
    3. 總登記坪數:
    4. 每坪單價:
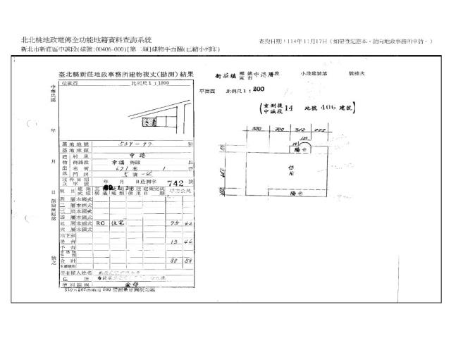
    5. 地址:新北市新莊區幸福路671巷1弄5號5樓
    1. (煩請告知聯絡人,您是在House-Info房屋網看到廣告,感恩幫忙)
    2. 0911-965-339
    1. 公司名稱:
    2. 公司地址:
    新莊區幸福路|公寓五樓|佳瑪百貨旁、幸福路商圈、捷運幸福站-QR CODE 我要留言
物件介紹
詳細資料
銷售狀態
待標中
格局
0房
屋齡
45年
車位
沒車位
無障礙環境
沒有
所在樓層
5樓/共5樓
管委會
沒有
中庭
沒有
電梯
沒有
邊間
不是
法拍屋
拍次
應買 點交
開標日期
2026/01/20-2026/04/19
瀏覽人次
40人次
周邊環境
鄰近地標
佳瑪百貨旁、幸福路商圈、捷運幸福站
捷運站
幸福
坪數說明
建物登記總坪數
26.89
主建物
22.82
附屬建物
4.07
土地登記總坪數
8.19
特色描述

【法院筆錄內容】

1‧拍賣標的406建號建物,拍定後點交。(一)本件係調假扣押卷執行,於113年10月25日與物業管理人員開鎖入內,稱屋內有四間房間,其中三間之租客已搬走,其餘一間租客之租期雖至114年,但於113年年底會搬走。(二)本件於114年6月26日履勘,開鎖入內已無人居住,斷水斷電,現場留有小型冰箱、床組、沙發、簡易家具等物品。(三)因屋內動產並不在拍賣範圍內,如拍定後仍遺留有價值之遺留物在現場,法院尚須依強制執行法第100條規定命拍定人保管遺留物、拍照、造具遺留物清冊陳報法院、限期債務人領回、鑑價、詢價、拍賣等,需耗費相當時日,請投標人注意。

2‧另依鑑價報告所載,本件標的經初步調查無海砂屋、輻射屋、地震受創、火災受損或非自然死亡等情形,惟若有因調查限度難以查明,致與鑑價報告內容所載容有出入者,請投標人逕向相關單位洽詢查明,綜合考量相關風險再行投標。

《新北地方法院案號:114年度司執衷字第66408號,清償債務》

【保證金】
192萬

【拍賣履歴】
 一拍    2025/12/03 流標                      底標價格  1500 萬
 二拍    2025/12/24 流標                      底標價格  1200 萬
 三拍/應買    2026/01/20-2026/04/19   底標價格  960 萬
 四拍                                                  底標價格  768 萬                

【焦點法拍履歴】
👩🏻‍⚖️從業二十年以上經驗|競競業業|正派經營
🎯投標準備⇥法拍流程說明|標單填寫|案件現場勘查有無特殊情事|成本評估分析
💰銀行貸款⇥法拍物件估價|投標人財力評估|銀行代墊款協助辦理|最高八成
🏡拍定得標⇥強制執行書狀、履勘陳報書狀往返|債務人搬遷協商|遺留物造冊查估
🎁委託代標⇥免費|委託代標未得標⇥免費

🏢鑫創資產管理有限公司

顏麗杏 0911-965339   營業員證號:(101)登字第212862號     
連真甄 0909-031993   營業員證號:(101)登字第192002號   

更多物件 ☞ 焦點法拍 

經紀人李彥槿:109北市經證字第02110號

新莊公寓法拍-0
新莊公寓法拍-0
新莊公寓法拍-1
新莊公寓法拍-1
新莊公寓法拍-2
新莊公寓法拍-2
新莊公寓法拍-3
新莊公寓法拍-3
新莊公寓法拍-4
新莊公寓法拍-4
新莊公寓法拍-5
新莊公寓法拍-5
新莊公寓法拍-6
新莊公寓法拍-6
物件留言
請注意,如果您詢問的內容與物件不相符合或是廣告,經過審核,系統將會直接刪除您的發問內容
等待圖示
相似物件
免責聲明:House-Info房屋網平台系統為租用式開放房屋買賣網站建置平台,僅提供會員查詢-新北市,新莊區,公寓-等房屋資訊參考,並不涉入任何諮詢、交易。 物件(服務)聯絡人公佈的資訊、文字、照片、圖形、產權、廣告內容、或其他資料若有不實或違法情事,或與客戶聯絡交易過程中若衍生民事或刑事等法律問題,皆與House-Info房屋網站無關,所有商標、文章、名稱等版權,皆歸屬原著作者所有!